»Ê¼Ò¹ú¼Ê

½Ó´ýÀ´·Ã»Ê¼Ò¹ú¼Ê¹ÙÍø£¡

»úеÈ˱äλ»ú/ÊÂÇéÕ¾

ÄúµÄλÖãºÊ×Ò³ > ²úÆ·ÖÐÐÄ > »úеÈ˱äλ»ú/ÊÂÇéÕ¾ > ±äλ»ú2PF300/500/1000

»Ê¼Ò¹ú¼Ê×øÂäÓÚ½­ËÕ³£ÖÝÌìÄþÇø£¬£¬£¬£¬£¬×¨Òµ´Óʺ¸½ÓϵͳµÄ¿ª·¢ÓëÖÆÔì¡¢º¸½ÓÇиîÊÖÒÕ×ÉѯÓëЧÀ͵ÄרҵÐÔ¸ßÐÂÊÖÒÕÆóÒµ¡£¡£¡£ ¡£ ¡£¡£¡£¹«Ë¾×ÊÁ¦ºñ¡¢ÊÖÒÕÏȽø£¬£¬£¬£¬£¬²úÆ·Ô¶ÏúÌ©¹ú¡¢Ô½ÄÏ¡¢·ÆÂɱöµÈ¶«ÄÏÑǹú¼ÒºÍµØÇø¡£¡£¡£ ¡£ ¡£¡£¡£

Éó²é¸ü¶à+

×ÔÓÐÈí¼þרÀûͨ¹ý֪ʶϵͳ¹á±êÈÏÖ¤£¬£¬£¬£¬£¬¸ßÐÂÊÖÒÕÆóÒµ×ÔÖ÷Ñз¢ÍŶӣ¬£¬£¬£¬£¬¿Éƾ֤¿Í»§ÐèÇó·Ç±ê¶¨ÖÆ¡£¡£¡£ ¡£ ¡£¡£¡£»£»£»£»£»£»£»ñµÃ¸÷ÏîרÀû30ÓàÏî¡£¡£¡£ ¡£ ¡£¡£¡£

Éó²é¸ü¶à+

Äú¿ÉÒÔµÚһʱ¼äÏàʶµ½»Ê¼Ò¹ú¼ÊµÄ×îж¯Ì¬£¬£¬£¬£¬£¬ÓëÄú·ÖÏíÐÐÒµµÄ×îÈÈ×ÊѶ£¬£¬£¬£¬£¬Ê±¿ÌÔÚΪÄúЧÀÍ¡£¡£¡£ ¡£ ¡£¡£¡£ÔÚº¸½ÓͨÓÃ×°±¸¡¢º¸½Ó½á¹¹¼þ¡¢¹¤×°¼Ð¾ß¡¢º¸½Ó×Ô¶¯»¯×°±¸¼°¿ØÖÆ·½Ãæ»ýÀÛÁ˸»ºñµÄʵ¼ùÂÄÀú¡£¡£¡£ ¡£ ¡£¡£¡£

Éó²é¸ü¶à+

±ü³Ö×Å¡°Ê÷Á¢Ò»ÖÖÓÅÖÊÐÎÏó£ºÓÅÖÊЧÀÍÊÇÉúÃü£¬£¬£¬£¬£¬¿Í·þÖª×ãÊÇÄ¿µÄ¡±µÄı»®ÀíÄ£¬£¬£¬£¬ÊµÑé²î±ð»¯Õ½ÂÔ£¬£¬£¬£¬£¬ÔÚϸ·ÖÊг¡·¢Á¦£¬£¬£¬£¬£¬Îª¿Í»§Ìṩ¸ßÆ·ÖʵĹ¤Òµ»úеÈ˺ÍÖÇÄÜÖÆÔì½â¾ö¼Æ»®¡£¡£¡£ ¡£ ¡£¡£¡£¿£¿£¿£¿£»Ê¼Ò¹ú¼Ê¹¤Òµ»úеÈËÒ»Ö±ÇãÐÄ´òÔìºÃµÄÆ·ÖÊ£¬£¬£¬£¬£¬ÃãÁ¦×·ÇóÖªÐĵÄЧÀÍ¡£¡£¡£ ¡£ ¡£¡£¡£

Éó²é¸ü¶à+
ÍøÕ¾À¸Ä¿ ÁªÏµ»Ê¼Ò¹ú¼Ê

»Ê¼Ò¹ú¼Ê

»Ê¼Ò¹ú¼Ê×øÂäÓÚ½­ËÕ³£ÖÝÌìÄþÇø£¬£¬£¬£¬£¬×¨Òµ´Óʺ¸½ÓϵͳµÄ¿ª·¢ÓëÖÆÔì¡¢º¸½ÓÇиîÊÖÒÕ×ÉѯÓëЧÀÍµÄ ×¨ÒµÐÔ¸ßÐÂÊÖÒÕÆóÒµ¡£¡£¡£ ¡£ ¡£¡£¡£¹«Ë¾Ö÷Òª²úÆ·ÓÐOTCº¸½Ó»úеÈË¡¢OTCº¸»ú£¬£¬£¬£¬£¬º¸½Ó»ú£¬£¬£¬£¬£¬¹¤×°£¬£¬£¬£¬£¬¼Ð¾ß£¬£¬£¬£¬£¬¼ì¾ß£¬£¬£¬£¬£¬·Ç±ê×Ô¶¯»¯º¸½Ó×°±¸¡¢»úеÈËÓ¦ÓÃϵͳµÈ£¬£¬£¬£¬£¬

ÁªÏµ»Ê¼Ò¹ú¼Ê

  • ÊÖ »ú£º13961233232£¨Ð»Ë¾Àí£©
  •     13815061092£¨Ñî˾Àí£©
  •     13815061599£¨´Ô˾Àí£©
  • ÊÖ »ú£º13806120606£¨²Ì˾Àí£©£¨ÊÛºó£©
  • µç »°£º0519-83973992
  • ´« Õæ£º0519-85760916
  • µØ Ö·£º½­ËÕÊ¡³£ÖÝÊÐÌìÄþÇøºëÀñ·1ºÅ
Ä¿½ñλÖãºÊ×Ò³ > ²úÆ·ÖÐÐÄ > »úеÈ˱äλ»ú/ÊÂÇéÕ¾ > ±äλ»ú2PF300/500/1000
Éó²éËùÓÐÃÅÀà

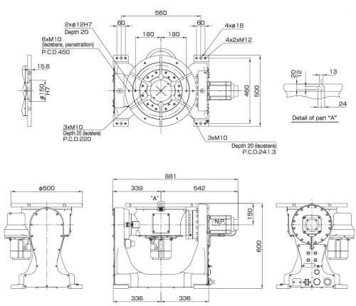
±äλ»ú2PF300/500/1000

Ðû²¼£º2022-08-30 ä¯ÀÀ£º6597

±äλ»ú2PF300/500/1000

±äλ»ú2PF300/500/1000

²úÆ·ÏêÇé

´Ó×îСµÄ25kgµ½×î´óµÄ1000kg£¬£¬£¬£¬£¬ÖÐÐÄÒ»¹²6ÖÖ»úÐÍ£»£»£»£»£»£»£»¿Éͨ¹ý»úеÈ˵Äʾ½ÌºÐ¾ÙÐвÙ×÷£¬£¬£¬£¬£¬¿ÉÓë»úеÈËͬʱ¾ÙÐÐʾ½ÌÊÂÇ飻£»£»£»£»£»£»½ÓÄɵÄÊÇACËÅ·þÂí´ïºÍÎÞ±³Ï¶¼õËÙ»ú£¬£¬£¬£¬£¬Òò´Ë¿ÉÒÔ»ñµÃºÍ»úеÈËͬÑùµÄ¸ß¾«¶È£»£»£»£»£»£»£»Óë»úеÈËÅäÌ×ʹÓÃʱ£¬£¬£¬£¬£¬¿ÉÒÔʵÏÖЭµ÷Ðж¯¡£¡£¡£ ¡£ ¡£¡£¡£


»Ê¼Ò¹ú¼Ê(ÖйúÇø)-¹Ù·½ÍøÕ¾


ÐͺÅA2PF300-ENNA2PF500-ENNA2PF1000-ENN
×î´ó´îÔØÖØÁ¿300kg500kg1000kg
×î´óÐýתËÙÂÊ3.1rad/sec[180¡ã/s]2.8rad/sec[162¡ã/s]2.9rad/sec[72¡ã/s]
×î´óÇãбËÙÂÊ2.2rad/sec[125¡ã/s]1.5rad/sec[84¡ã/s]1.4rad/sec[82¡ã/s]
ÔÊÐí×î´óŤ¾Ø294N¡¤m392N¡¤m882N¡¤m
ÇãбÖáÔÊÐí×î´óŤÇú882N¡¤m1347N¡¤m3704N¡¤m
λÖÃÖØ¸´¾«¶È¡À0.08mm£¨ÔÚR250µÄλÖã©¡À0.08mm£¨ÔÚR250µÄλÖã©¡À0.08mm£¨ÔÚR250µÄλÖã©
Ðýת×èֹλÖÃí§ÒâλÖÃí§ÒâλÖÃí§ÒâλÖÃ
±¾   Ìå ÖØ Á¿260kg260kg470kg

ÉÏһƪ£º ±äλ»ú1PC500/1000
ÏÂһƪ£º XYZ»úеÈ˵عì
Á¬Ã¦ÁªÏµ»Ê¼Ò¹ú¼Ê£¬£¬£¬£¬£¬³£Öݻʼҹú¼ÊΪÄúÌṩȫ·½Î»µÄÖÇÄܺ¸½Ó½â¾ö¼Æ»®
ÁªÏµ»Ê¼Ò¹ú¼Ê
ÔÚÏ߿ͷþ̨
ONLINE SERVICE
΢ÐŶþάÂë
×ÉѯЧÀ͵绰
13961233232
ÁªÏµ»Ê¼Ò¹ú¼Ê
QQ×Éѯ

ɨһɨ

¡¾ÍøÕ¾µØÍ¼¡¿¡¾sitemap¡¿